0

No products in the cart.

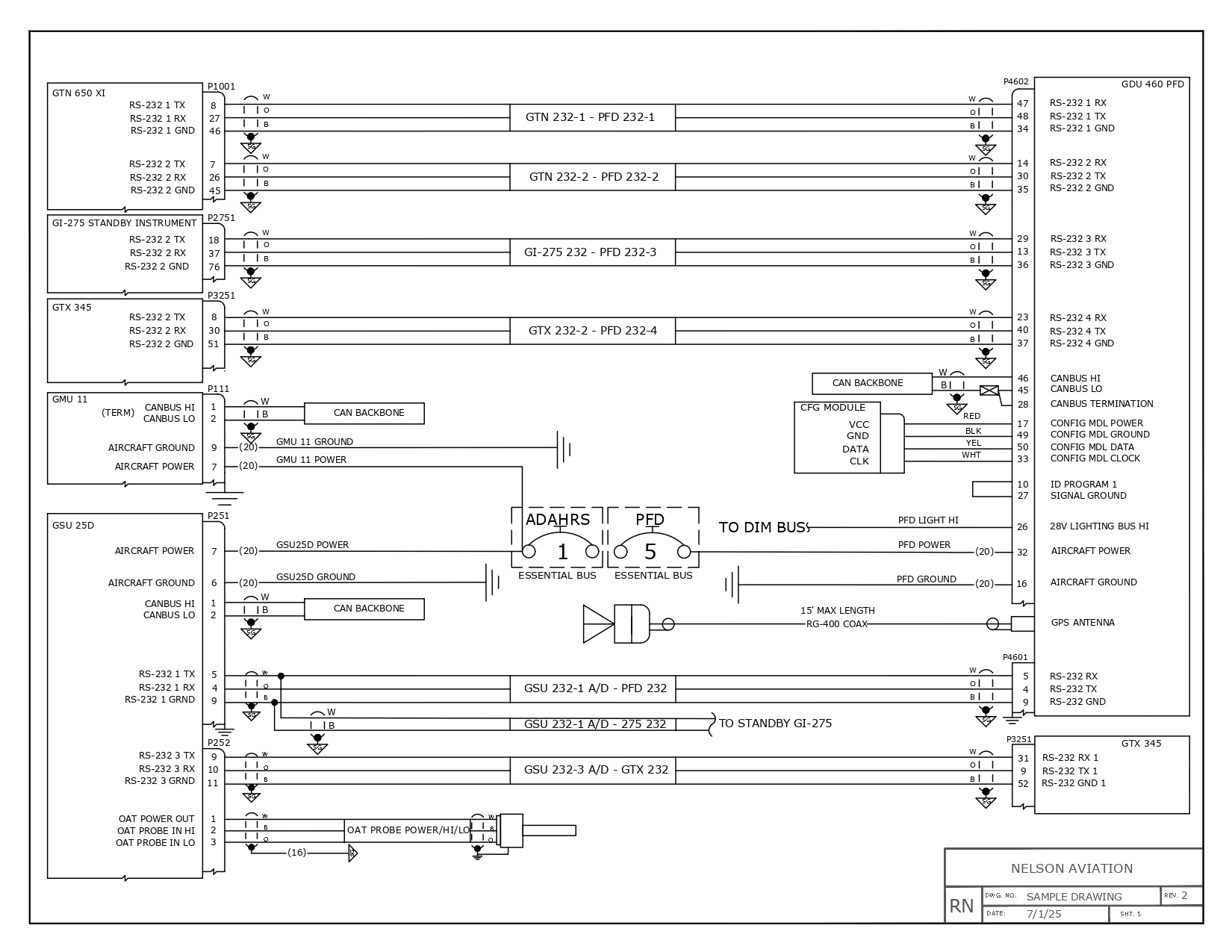
Harnesses

  • Each wire in every harness is Laser marked in its entirety- every 3 inches with our in-house state-of-the-art Tri-Star M-100L-FG-TT-A Laser wire marker

  • Every harness comes with an engineered interface wiring diagrams custom to your airplane, digital and printed, for ease of install, and to assist in Post installation configuration

  • Each harness is built using ONLY OEM Connectors, Mil-spec parts/wire specified in each installation manual

  • All Tooling used is Certified and gets Calibrated according to Manufacture specifications

  • Full traceability can be provided for all material used in any harness

  • Each harness goes through a quality control inspection, followed by a full Pin-Pin continuity check of every connection prior to shipment to customer

Streamline your
installation

0
    0
    Your Cart
    Your cart is emptyReturn to Shop